图片资料专区
    景观美图精选
    建筑绿化实例
    CAD图纸设计
    自然绿色风光
    工程效果预案
CAD图纸设计
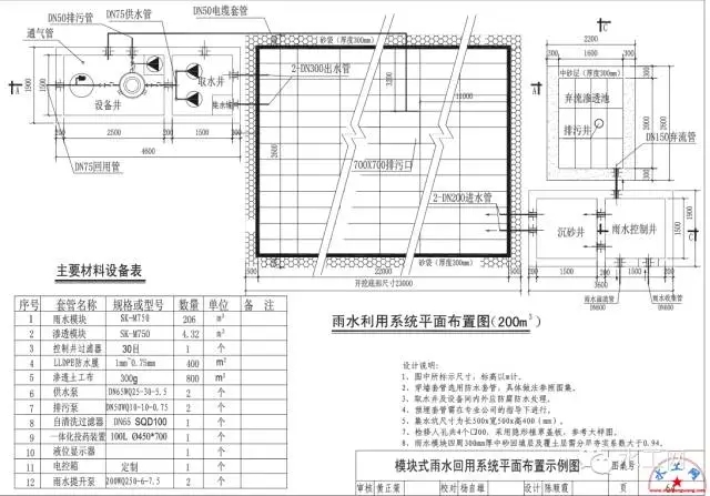
海绵城市设计标准图
海绵城市是指城市能够像海绵一样,在适应环境变化和应对自然灾... 详细》
小型公寓全套建筑图...
公寓 建筑 CAD 详细》
小型公寓全套建筑图...
公寓 建筑 CAD 详细》
小型公寓全套建筑图...
公寓 建筑 CAD 详细》
屋顶花园园林景观设...
屋顶花园 园林景观 设计 详细》
屋顶花园施工详图
屋顶花园 施工 详细》
屋顶花园施工图
屋顶花园 施工图 详细》
上海某办公楼屋顶花...
上海 屋顶花园 CAD 详细》
日本庭院绿化设计CA...
日本 庭院绿化 CAD 详细》
别墅屋顶绿化CAD图
别墅 屋顶绿化 CAD 详细》
屋顶绿化cad平面布置...
屋顶绿化 cad 详细》
某屋顶绿化深化设计...
屋顶绿化 CAD 详细》
道路绿化CAD图
道路绿化 CAD 详细》
小院绿化设计图
绿化设计 CAD 详细》
庭院绿化图片
庭院绿化 CAD 详细》
某商业街绿化设计图...
商业街 绿化设计 CAD 详细》
<<首页 <上一页  下一页>  末页>>  共有16条记录,共有1页,当前第1页转到页